ଉତ୍ପାଦଗୁଡ଼ିକର ପରିଚୟ:
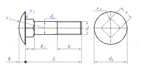
ଷ୍ଟେନଲେସ୍ ଷ୍ଟିଲ୍ କ୍ୟାରେଜ୍ ବୋଲ୍ଟ (DIN 603) ହେଉଛି ଗୋଲାକାର ମୁଣ୍ଡିଆ ଫାଷ୍ଟନର୍ ଯାହାର ମୁଣ୍ଡ ତଳେ ଏକ ବର୍ଗାକାର ବେକ ଥାଏ। ଷ୍ଟେନଲେସ୍ ଷ୍ଟିଲ୍ (ସାଧାରଣ କ୍ଷୋଭ ପ୍ରତିରୋଧ ପାଇଁ A2/304, ସାମୁଦ୍ରିକ କିମ୍ବା ଏସିଡିକ୍ ପରିବେଶ ପାଇଁ A4/316) ରୁ ତିଆରି, ବର୍ଗାକାର ବେକ ନରମ ସାମଗ୍ରୀ (କାଠ ପରି) କିମ୍ବା ବର୍ଗାକାର ଗାତରେ ଲକ୍ ହୋଇଯାଏ, ଯାହା କଟାଇବା ସମୟରେ ଘୂର୍ଣ୍ଣନକୁ ରୋକିଥାଏ। DIN 603 ମାନକ ଅନୁସରଣ କରି, ଏଗୁଡ଼ିକ M5 ରୁ M16 ବ୍ୟାସ ଏବଂ 12mm ରୁ 300mm ପର୍ଯ୍ୟନ୍ତ ସୂତା ଲମ୍ବରେ ଆସିଥାଏ। ଏହି ବୋଲ୍ଟଗୁଡ଼ିକ କାଠରୁ ଧାତୁ ସଂଯୋଗ, ବାହ୍ୟ ଗଠନ (ଯେପରିକି ବାଡ଼ ଏବଂ ଡେକ୍), ଏବଂ ହାଲୁକା-କର୍ତ୍ତବ୍ୟ ଧାତୁ ଫ୍ରେମୱାର୍କ ପାଇଁ ଆଦର୍ଶ, ଯାହା ଘୂର୍ଣ୍ଣନ ବିରୋଧୀ କାର୍ଯ୍ୟଦକ୍ଷତା ସହିତ ଶକ୍ତିକୁ ମିଶ୍ରଣ କରିଥାଏ।
ବ୍ୟବହାର ପାଇଁ ନିର୍ଦ୍ଦେଶାବଳୀ:
ପ୍ରଥମେ, ବୋଲ୍ଟର ବ୍ୟାସ ସହିତ ମେଳ ଖାଉଥିବା ୱର୍କପିସ୍ରେ ଏକ ଗାତ ଖୋଳନ୍ତୁ (ଉଦାହରଣ ସ୍ୱରୂପ, ଏକ M8 ବୋଲ୍ଟ ପାଇଁ 8mm ବ୍ୟାସର ଏକ ଗାତ ଆବଶ୍ୟକ)। ବୋଲ୍ଟଟିକୁ ଏପରି ଭାବରେ ଭର୍ତି କରନ୍ତୁ ଯେ ବର୍ଗାକାର ନେକ୍ କାଠ କିମ୍ବା ଧାତୁରେ ସ୍ଥାପିତ ହୁଏ, ଯାହା ବୋଲ୍ଟକୁ ଘୂର୍ଣ୍ଣିବାରୁ ବନ୍ଦ କରେ। ତାପରେ, ଗୋଲ ମୁଣ୍ଡକୁ କଡ଼ା କରିବା ପାଇଁ ଏକ ରେଞ୍ଚି ବ୍ୟବହାର କରନ୍ତୁ। ରକ୍ଷଣାବେକ୍ଷଣ ପାଇଁ: ନିୟମିତ ଭାବରେ A2/A4 ଷ୍ଟେନଲେସ୍ ଷ୍ଟିଲ୍ ବୋଲ୍ଟଗୁଡ଼ିକୁ ସେମାନଙ୍କର କ୍ଷୟ ପ୍ରତିରୋଧ ବଜାୟ ରଖିବା ପାଇଁ ସଫା କରନ୍ତୁ, ଏବଂ ପୃଷ୍ଠକୁ ସ୍କ୍ରାଚ୍ କରିବା ଏଡନ୍ତୁ। ସାମୁଦ୍ରିକ ପରିବେଶରେ, A4 ବୋଲ୍ଟ ବ୍ୟବହାର କରିବା ଭଲ କାରଣ ସେମାନେ ଲୁଣିଆ ପାଣି ପ୍ରତି ଉତ୍ତମ ପ୍ରତିରୋଧ ପ୍ରଦାନ କରନ୍ତି।
| ସୂତା ଆକାର | M5 | M6 | M8 | ଏମ୍୧୦ | ଏମ୍୧୨ | M16 | M20 | |
| d | ||||||||
| P | ପିଚ୍ | ୦.୮ | 1 | ୧.୨୫ | ୧.୫ | ୧.୭୫ | 2 | ୨.୫ |
| b | ଳ≤୧୨୫ | 16 | 18 | 22 | 26 | 30 | 38 | 46 |
| ୧୨୫<ଲିଟର≤୨୦୦ | 22 | 24 | 28 | 32 | 36 | 44 | 52 | |
| ଲିଟର ~୨୦୦ | / | / | 41 | 45 | 49 | 57 | 65 | |
| dk | ସର୍ବାଧିକ | ୧୩.୫୫ | ୧୬.୫୫ | ୨୦.୬୫ | ୨୪.୬୫ | ୩୦.୬୫ | ୩୮.୮ | ୪୬.୮ |
| ମିନିଟ୍ | ୧୨.୪୫ | ୧୫.୪୫ | ୧୯.୩୫ | ୨୩.୩୫ | ୨୯.୩୫ | ୩୭.୨ | ୪୫.୨ | |
| ds | ସର୍ବାଧିକ | 5 | 6 | 8 | 10 | 12 | 16 | 20 |
| ମିନିଟ୍ | ୪.୫୨ | ୫.୫୨ | ୭.୪୨ | ୯.୪୨ | ୧୧.୩ | ୧୫.୩ | ୧୯.୧୬ | |
| k1 | ସର୍ବାଧିକ | ୪.୧ | ୪.୬ | ୫.୬ | ୬.୬ | ୮.୭୫ | ୧୨.୯ | ୧୫.୯ |
| ମିନିଟ୍ | ୨.୯ | ୩.୪ | ୪.୪ | ୫.୪ | ୭.୨୫ | ୧୧.୧ | ୧୪.୧ | |
| k | ସର୍ବାଧିକ | ୩.୩ | ୩.୮୮ | ୪.୮୮ | ୫.୩୮ | ୬.୯୫ | ୮.୯୫ | ୧୧.୦୫ |
| ମିନିଟ୍ | ୨.୭ | ୩.୧୨ | ୪.୧୨ | ୪.୬୨ | ୬.୦୫ | ୮.୦୫ | ୯.୯୫ | |
| r1 | ≈ | ୧୦.୭ | ୧୨.୬ | 16 | ୧୯.୨ | ୨୪.୧ | ୨୯.୩ | ୩୩.୯ |
| r2 | ସର୍ବାଧିକ | ୦.୫ | ୦.୫ | ୦.୫ | ୦.୫ | 1 | 1 | 1 |
| r3 | ସର୍ବାଧିକ | ୦.୭୫ | ୦.୯ | ୧.୨ | ୧.୫ | ୧.୮ | ୨.୪ | 3 |
| s | ସର୍ବାଧିକ | ୫.୪୮ | ୬.୪୮ | ୮.୫୮ | ୧୦.୫୮ | ୧୨.୭ | ୧୬.୭ | ୨୦.୮୪ |
| ମିନିଟ୍ | ୪.୫୨ | ୫.୫୨ | ୭.୪୨ | ୯.୪୨ | ୧୧.୩ | ୧୫.୩ | ୧୯.୧୬ | |
| ପ୍ରତି 1000 ଇସ୍ପାତ ଉତ୍ପାଦର ଓଜନ (≈କିଲୋଗ୍ରାମ) | - | - | - | - | - | - | - | |
| ସୂତାର ଲମ୍ବ b | - | - | - | - | - | - | - | |
ହେବେଇ ଡୁଓଜିଆ ମେଟାଲ୍ ପ୍ରଡକ୍ଟସ୍ କୋ., ଲିମିଟେଡ୍ ପୂର୍ବରୁ ୟୋଙ୍ଗହୋଙ୍ଗ ଏକ୍ସପାନ୍ସନ୍ ସ୍କ୍ରୁ ଫ୍ୟାକ୍ଟ୍ରି ଭାବରେ ଜଣାଶୁଣା ଥିଲା। ଫାଷ୍ଟନର୍ ନିର୍ମାଣରେ ଏହାର 25 ବର୍ଷରୁ ଅଧିକ ବୃତ୍ତିଗତ ଅଭିଜ୍ଞତା ଅଛି। ଏହି କାରଖାନା ଚାଇନା ଷ୍ଟାଣ୍ଡାର୍ଡ ରୁମ୍ ଇଣ୍ଡଷ୍ଟ୍ରିଆଲ୍ ବେସ୍ - ୟୋଙ୍ଗନାନ୍ ଜିଲ୍ଲା, ହାଣ୍ଡନ୍ ସିଟିରେ ଅବସ୍ଥିତ। ଏହା ଅନଲାଇନ୍ ଏବଂ ଅଫ୍ଲାଇନ୍ ଉତ୍ପାଦନ ଏବଂ ଫାଷ୍ଟନର ଉତ୍ପାଦନ ସହିତ ଏକକ ବିକ୍ରୟ ସେବା ବ୍ୟବସାୟ ପରିଚାଳନା କରେ।
ଏହି କାରଖାନାଟି 5,000 ବର୍ଗ ମିଟରରୁ ଅଧିକ ଅଞ୍ଚଳ ପରିବ୍ୟାପ୍ତ ଏବଂ ଗୋଦାମଟି 2,000 ବର୍ଗ ମିଟରରୁ ଅଧିକ ଅଞ୍ଚଳ ପରିବ୍ୟାପ୍ତ। 2022 ମସିହାରେ, କମ୍ପାନୀ ଶିଳ୍ପ ଉନ୍ନୟନ କାର୍ଯ୍ୟ କରିଥିଲା, କାରଖାନାର ଉତ୍ପାଦନ କ୍ରମକୁ ମାନକୀକରଣ କରିଥିଲା, ସଂରକ୍ଷଣ କ୍ଷମତାକୁ ଉନ୍ନତ କରିଥିଲା, ସୁରକ୍ଷା ଉତ୍ପାଦନ କ୍ଷମତା ବୃଦ୍ଧି କରିଥିଲା ଏବଂ ପରିବେଶ ସୁରକ୍ଷା ପଦକ୍ଷେପ କାର୍ଯ୍ୟକାରୀ କରିଥିଲା। କାରଖାନାଟି ଏକ ପ୍ରାରମ୍ଭିକ ସବୁଜ ଏବଂ ପରିବେଶ ଅନୁକୂଳ ଉତ୍ପାଦନ ପରିବେଶ ହାସଲ କରିଛି।
କମ୍ପାନୀର କୋଲ୍ଡ ପ୍ରେସିଂ ମେସିନ୍, ଷ୍ଟାମ୍ପିଂ ମେସିନ୍, ଟ୍ୟାପିଂ ମେସିନ୍, ଥ୍ରେଡିଂ ମେସିନ୍, ଫର୍ମିଂ ମେସିନ୍, ସ୍ପ୍ରିଙ୍ଗ ମେସିନ୍, କ୍ରିମ୍ପିଂ ମେସିନ୍ ଏବଂ ୱେଲ୍ଡିଂ ରୋବୋଟ୍ ଅଛି। ଏହାର ମୁଖ୍ୟ ଉତ୍ପାଦ ହେଉଛି "ୱାଲ୍ କ୍ଲାଇମ୍ବରସ୍" ନାମରେ ଜଣାଶୁଣା ଏକ୍ସପାନ୍ସନ ସ୍କ୍ରୁର ଏକ ସିରିଜ୍।
ଏହା କାଠ ଦାନ୍ତ ୱେଲ୍ଡିଂ ଭେଦ୍ ଆଇ ରିଙ୍ଗ ସ୍କ୍ରୁ ଏବଂ ମେସିନ୍ ଟୁଥ୍ ଭେଦ୍ ଆଇ ରିଙ୍ଗ ବୋଲ୍ଟ ଭଳି ସ୍ୱତନ୍ତ୍ର ଆକୃତିର ହୁକ୍ ଉତ୍ପାଦ ମଧ୍ୟ ଉତ୍ପାଦନ କରେ। ଏହା ସହିତ, କମ୍ପାନୀ 2024 ଶେଷ ଠାରୁ ନୂତନ ଉତ୍ପାଦ ପ୍ରକାରଗୁଡ଼ିକୁ ବିସ୍ତାର କରିଛି। ଏହା ନିର୍ମାଣ ଶିଳ୍ପ ପାଇଁ ପୂର୍ବରୁ କବର ଦିଆଯାଇଥିବା ଉତ୍ପାଦଗୁଡ଼ିକ ଉପରେ ଧ୍ୟାନ ଦିଏ।
କମ୍ପାନୀର ଏକ ବୃତ୍ତିଗତ ବିକ୍ରୟ ଦଳ ଏବଂ ଆପଣଙ୍କ ଉତ୍ପାଦଗୁଡ଼ିକୁ ସୁରକ୍ଷା ଦେବା ପାଇଁ ଏକ ବୃତ୍ତିଗତ ଅନୁସରଣ ଦଳ ଅଛି। କମ୍ପାନୀ ଏହା ପ୍ରଦାନ କରୁଥିବା ଉତ୍ପାଦଗୁଡ଼ିକର ଗୁଣବତ୍ତାର ଗ୍ୟାରେଣ୍ଟି ଦିଏ ଏବଂ ଗ୍ରେଡ୍ ଉପରେ ଯାଞ୍ଚ କରିପାରିବ। ଯଦି କୌଣସି ସମସ୍ୟା ଥାଏ, ତେବେ କମ୍ପାନୀ ବୃତ୍ତିଗତ ବିକ୍ରୟ ପରବର୍ତ୍ତୀ ସେବା ପ୍ରଦାନ କରିପାରିବ।
ଆମର ରପ୍ତାନି ଦେଶଗୁଡ଼ିକ ମଧ୍ୟରେ ରୁଷ, ଦକ୍ଷିଣ କୋରିଆ, ବ୍ରିଟେନ, ଫ୍ରାନ୍ସ, ଜର୍ମାନୀ, ଇଟାଲୀ, କାନାଡା, ମେକ୍ସିକୋ, ବ୍ରାଜିଲ, ଆର୍ଜେଣ୍ଟିନା, ଚିଲି, ଅଷ୍ଟ୍ରେଲିଆ, ଇଣ୍ଡୋନେସିଆ, ଥାଇଲ୍ୟାଣ୍ଡ, ସିଙ୍ଗାପୁର, ସାଉଦି ଆରବ, ସିରିଆ, ମିଶର, ତାଞ୍ଜାନିଆ। କେନିଆ ଏବଂ ଅନ୍ୟାନ୍ୟ ଦେଶ ଅନ୍ତର୍ଭୁକ୍ତ। ଆମର ଉତ୍ପାଦଗୁଡ଼ିକ ସାରା ବିଶ୍ୱରେ ବିସ୍ତାରିତ ହେବ!
ଆମକୁ କାହିଁକି ବାଛନ୍ତୁ?
1. ଏକ କାରଖାନା-ପ୍ରତ୍ୟକ୍ଷ ଯୋଗାଣକାରୀ ଭାବରେ, ଆମେ ଆପଣଙ୍କୁ ଉଚ୍ଚ-ଗୁଣବତ୍ତା ଫାଷ୍ଟନର ପାଇଁ ସର୍ବାଧିକ ପ୍ରତିଯୋଗିତାମୂଳକ ମୂଲ୍ୟ ପ୍ରଦାନ କରିବା ପାଇଁ ମଧ୍ୟସ୍ଥି ମାର୍ଗିମାନଙ୍କୁ ହଟାଇ ଦେଉଛୁ।
2. ଆମର କାରଖାନା ISO 9001 ଏବଂ AAA ପ୍ରମାଣପତ୍ର ପାସ୍ କରିଛି। ଆମେ ଗ୍ୟାଲଭାନିଆନ୍ ଉତ୍ପାଦ ପାଇଁ କଠୋରତା ପରୀକ୍ଷା ଏବଂ ଜିଙ୍କ ଆବରଣ ଘନତାର ପରୀକ୍ଷା କରୁଛୁ।
୩. ଉତ୍ପାଦନ ଏବଂ ଲଜିଷ୍ଟିକ୍ସ ଉପରେ ସମ୍ପୂର୍ଣ୍ଣ ନିୟନ୍ତ୍ରଣ ସହିତ, ଆମେ ଜରୁରୀ ଅର୍ଡର ପାଇଁ ମଧ୍ୟ ସମୟସୀମାରେ ବିତରଣ ଗ୍ୟାରେଣ୍ଟି ଦେଉଛୁ।
୪. ଆମର ଇଞ୍ଜିନିୟରିଂ ଦଳ ପ୍ରୋଟୋଟାଇପ୍ ଠାରୁ ବହୁଳ ଉତ୍ପାଦନ ପର୍ଯ୍ୟନ୍ତ ଫାସେନରଗୁଡ଼ିକୁ କଷ୍ଟମାଇଜ୍ କରିପାରିବେ, ଯେଉଁଥିରେ ଅନନ୍ୟ ସୂତା ଡିଜାଇନ୍ ଏବଂ କ୍ଷୟ-ବିରୋଧୀ ଆବରଣ ଅନ୍ତର୍ଭୁକ୍ତ।
୫. କାର୍ବନ ଷ୍ଟିଲ୍ ହେକ୍ସ ବୋଲ୍ଟଠାରୁ ଆରମ୍ଭ କରି ଉଚ୍ଚ-ଟେନସାଇଲ୍ ଆଙ୍କର୍ ବୋଲ୍ଟ ପର୍ଯ୍ୟନ୍ତ, ଆମେ ଆପଣଙ୍କର ସମସ୍ତ ଫାଷ୍ଟନର ଆବଶ୍ୟକତା ପାଇଁ ଏକ-ଷ୍ଟପ୍ ସମାଧାନ ପ୍ରଦାନ କରୁ।
୬. ଯଦି କୌଣସି ତ୍ରୁଟି ମିଳେ, ତେବେ ଆମେ ଆମର ମୂଲ୍ୟର ୩ ସପ୍ତାହ ମଧ୍ୟରେ ବଦଳଗୁଡ଼ିକୁ ପୁନଃ ପଠାଇବୁ।













